Главная > Продукты > Электрический привод > Стандартный или нестандартный и электропривод ip 67 с ходом 90 ±10 Stroke dcl-100 dcl-160 dcl-250
Стандартный или нестандартный и электропривод ip 67 с ходом 90 ±10 Stroke dcl-100 dcl-160 dcl-250
- TIANJIN XINGNAG PORT
- T/T L/C D/P D/A Кредитная карта PayPal Другие Наличные деньги Эскроу
- 15 days
Вам может понравиться
-
Операция ?Множественные обороты?, местный и удалённый сигнал 4-20 мА dzt120-24 dzt180-18 dzt250-18 dzt350-18
-
Задвижка-клапан с приводом для проекта по очистке морской воды dzt15-24 dzt20-18 dzt30-18 dzt45-24
-
Электропривод шарового крана взрывозащищенный тип fry-ex05 fry-ex10 fry-ex15 fry-ex20
-
Моторный привод для клапана управления уровнем потока воды st30/16+ve100r/6 st30/23+ve200r/6 st30/6+ve200r/6 st14/60+ve50r/2
-
ЭЛЕКТРОПРИВОД МОДЕЛЬ: SMB-RS600/F40 HT 380 ВОЛЬТ АС - 3 ФАЗЫ 0,65 КВТ
-
Электропривод для крана с поворотом на 90°; Производитель: Tianjin; Тип: DY - J41
Описание продукта
?
?
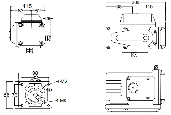
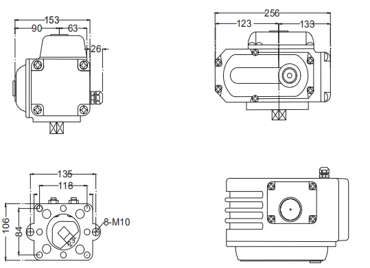
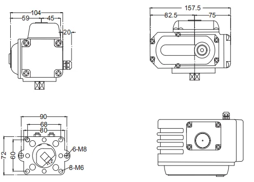
| Модель Характеристики | DCL-05 | DCL-10 | DCL-16 | DCL-25 | DCL-50 | DCL-100 | DCL-200 | ||
?
?




?
?
Условия поставки:
1. Заказы обрабатываются своевременно после проверки оплаты.
2. Условия поставки: FOB / CFR / CIF / EXW и т.д.
3. В зависимости от наличия на складе и разницы во времени мы будем выбирать отправку вашего товара из первого доступного склада для быстрой доставки.
Условия оплаты:
1. Принимаем Т/Т, Д/А, Д/П, Л/С, Западный Союз с 30% предоплатой.
2. Предоплата должна быть совершена в течение 3 дней после оформления заказа.
Наша компания предоставляет вам следующие услуги бесплатно:
1. Всесторонняя услуга по выбору технологии электроприводов и клапанов
2. Высококачественные услуги по техническому обслуживанию продукции после продаж и техническому анализу
3. Принимаем другие связанные формы сотрудничества.
?
Свяжитесь с нами
- Tianjin Freya Automation Technology Co., Ltd
- Имя контактаAlice Начать чат
Категории товаров
Новые продукты
-
Моторный с электрическими приводами поворотных клапанов bqt15-0.7 bqt19-0.7 bqt28-0.6 bqt38-0.6
-
1/4 поворот или частичный поворот на 90 градусов электропривод bqt50 - 0.6 bqt60 - 0.5 bqt80 - 0.5
-
Моторный автоматический привод SKJ2100 SKJ 3100 SKJ 4100 SKJ 5100
-
поворотные приводы на 90° для шаровых кранов с мягким седлом DCL-05E DCL-10E DCL-20E DCL-40E
-
МОТОРИЗОВАННЫЙ ПРИВОД ДЛЯ ШАРАНОВОГО КЛАПАНА dcl-60e dcl-100e dcl-160e dcl-250e
-
Многооборотный электропривод с электродвигателем. Трехфазный электропривод DZTb30 - 18, DZTb20 - 18, DZTb5 - 18
-
задвижка, электрический привод для клапана, электродвигатель, поворотный электрический привод, DZT60 - 24
-
Интеллектуальный интегрированный многооборотный электропривод трехфазный DZT90 - 24
-
трехфазный электропривод с многооборотным электродвигателем DZTb45 - 24, DZTb60 - 24
-
Задвижка, кран-шаровой, регуляционный клапан, электропривод DZTb90-24, DZTb120-24
-
электроприводной шаровой кран для теплоносительного масла dzw180 dzw350 dzw500
-
Многоходовой электропривод с управлением задвижки, шарового крана, регулирующего клапана hz10 - 18 hz10 - 36 hz10 - 24 hz15 - 18 hz15 - 24 hz15 - 36
-
Задвижка, шаровой кран, регулирующий кран, многооборотный электропривод hz45-18, hz45-36, hz45-24, hz60-18, hz60-24, hz60-36
-
трёхфазный электропривод с интеллектуальной интеграцией HZ20 - 18, HZ20 - 24, HZ20 - 36, HZ30 - 18, HZ30 - 24, HZ30 - 36
-
Электропривод для клапана, трехфазный электропривод hz90-18 hz90-24 hz90-36 hz120-18 hz120-24 hz120-36
-
Моторный затворный клапан. Многооборотный электропривод, приводимый в действие электродвигателем. hz180 - 18, hz180 - 36, hz250 - 18, hz350 - 10, hz350 - 18
-
Интеллектуальный интегрированный задвижка, шаровой кран, управляющий кран, электропривод, трехфазный моторный привод hz500 - 10 hz800 - 18 hz1000 - 12
-
Электроприводной шаровый клапан. Для электроприводного исполнительного механизма моделей slm20-18
-
Тип электрического запорного клапана: slm10-18in slm10-36in slm15-18in slm20-18in
-
Электрический исполнительный механизм для системы автоматического управления slm45-24 slm45-36 slm60-24 slm60-36 slm90-24 slm90-36
-
Многоповоротный привод для проекта водных шлюзов slm45-24lic slm45-36lic slm60-24lic slm60-36lic
-
Электрический многооборотный привод для водяного затворного клапана slm20-18lic slm20-36lic slm30-18lic slm30-36lic
-
Многократно вращающийся электропривод для канального задвижки slm90-24lic slm90-36lic slm180-24lic slm180-36lic
-
АКТУАТОР ДЛЯ ЗАСУННОЙ ВЕРТИКАЛЬНОЙ ЗАГРУЗОЧНОЙ ШТУКЕРНЫЙ СИСТЕМЫ RAWPRESS FEED GATE slm20-18in slm20-36in slm30-18in slm30-36in
Популярные поиски
- Электрический трансформатор
- Сервис распределения
- трансформатор тока
- Высокочастотный трансформатор
- Электрический трансформатор
- устройство для экономии энергии
- повышающий преобразователь
- Преобразователь переменного тока
- Преобразователь частоты
- Разрядник молний
- электронный трансформатор
- Тороидальный трансформатор
- автотрансформатор
- трансформатор тока, индуктивность
- трансформатор напряжения
- Трансформатор управления
- Трансформатор питания
- Трансформатор для светодиодного освещения
- Влагонепроницаемый трансформатор
- Электрический трансформатор
- Низкочастотный трансформатор
- Обратный трансформатор
- Core Transformer
- Выходной индуктор
- Оборудование для распределения электроэнергии
- Трансформатор распределительного питания
- Оборудование подстанции
- Маслонаполненный трансформатор
- Фильтрующий реактор
Рекомендуемые продукты
- ABB CP-A CM 1SVR427075R0000
- Bently Nevada 330101-00-40-05-01-00
- Bently Nevada 190501-07-00-01
- Bently Nevada 330980-71-05
- Bently Nevada 16710-13
- Honeywell TP-DSOEP1-100
- Bently Nevada TK3-2E
- Siemens 6ES7134-6JD00-0CA1
- Siemens 6SL3244-0BB00-1PA1
- GE IC694ALG392-FG
- Allen Bradley 1797-OB4D
- Allen Bradley 1797-ACNR15
Найти похожие продукты по категории
- Электрические и электронные товары > Передача электроэнергии и трансформаторы > Трансформер






Операция ?Множественные обороты?, местный и удалённый сигнал 4-20 мА dzt120-24 dzt180-18 dzt250-18 dzt350-18
Задвижка-клапан с приводом для проекта по очистке морской воды dzt15-24 dzt20-18 dzt30-18 dzt45-24
Электропривод шарового крана взрывозащищенный тип fry-ex05 fry-ex10 fry-ex15 fry-ex20
Моторный привод для клапана управления уровнем потока воды st30/16+ve100r/6 st30/23+ve200r/6 st30/6+ve200r/6 st14/60+ve50r/2
ЭЛЕКТРОПРИВОД МОДЕЛЬ: SMB-RS600/F40 HT 380 ВОЛЬТ АС - 3 ФАЗЫ 0,65 КВТ
Электропривод для крана с поворотом на 90°; Производитель: Tianjin; Тип: DY - J41














Моторный с электрическими приводами поворотных клапанов bqt15-0.7 bqt19-0.7 bqt28-0.6 bqt38-0.6
1/4 поворот или частичный поворот на 90 градусов электропривод bqt50 - 0.6 bqt60 - 0.5 bqt80 - 0.5
Моторный автоматический привод SKJ2100 SKJ 3100 SKJ 4100 SKJ 5100
поворотные приводы на 90° для шаровых кранов с мягким седлом DCL-05E DCL-10E DCL-20E DCL-40E
МОТОРИЗОВАННЫЙ ПРИВОД ДЛЯ ШАРАНОВОГО КЛАПАНА dcl-60e dcl-100e dcl-160e dcl-250e
Многооборотный электропривод с электродвигателем. Трехфазный электропривод DZTb30 - 18, DZTb20 - 18, DZTb5 - 18
задвижка, электрический привод для клапана, электродвигатель, поворотный электрический привод, DZT60 - 24
Интеллектуальный интегрированный многооборотный электропривод трехфазный DZT90 - 24
трехфазный электропривод с многооборотным электродвигателем DZTb45 - 24, DZTb60 - 24
Задвижка, кран-шаровой, регуляционный клапан, электропривод DZTb90-24, DZTb120-24
электроприводной шаровой кран для теплоносительного масла dzw180 dzw350 dzw500
Многоходовой электропривод с управлением задвижки, шарового крана, регулирующего клапана hz10 - 18 hz10 - 36 hz10 - 24 hz15 - 18 hz15 - 24 hz15 - 36
Задвижка, шаровой кран, регулирующий кран, многооборотный электропривод hz45-18, hz45-36, hz45-24, hz60-18, hz60-24, hz60-36
трёхфазный электропривод с интеллектуальной интеграцией HZ20 - 18, HZ20 - 24, HZ20 - 36, HZ30 - 18, HZ30 - 24, HZ30 - 36
Электропривод для клапана, трехфазный электропривод hz90-18 hz90-24 hz90-36 hz120-18 hz120-24 hz120-36
Моторный затворный клапан. Многооборотный электропривод, приводимый в действие электродвигателем. hz180 - 18, hz180 - 36, hz250 - 18, hz350 - 10, hz350 - 18
Интеллектуальный интегрированный задвижка, шаровой кран, управляющий кран, электропривод, трехфазный моторный привод hz500 - 10 hz800 - 18 hz1000 - 12
Электроприводной шаровый клапан. Для электроприводного исполнительного механизма моделей slm20-18
Тип электрического запорного клапана: slm10-18in slm10-36in slm15-18in slm20-18in
Электрический исполнительный механизм для системы автоматического управления slm45-24 slm45-36 slm60-24 slm60-36 slm90-24 slm90-36
Многоповоротный привод для проекта водных шлюзов slm45-24lic slm45-36lic slm60-24lic slm60-36lic
Электрический многооборотный привод для водяного затворного клапана slm20-18lic slm20-36lic slm30-18lic slm30-36lic
Многократно вращающийся электропривод для канального задвижки slm90-24lic slm90-36lic slm180-24lic slm180-36lic
АКТУАТОР ДЛЯ ЗАСУННОЙ ВЕРТИКАЛЬНОЙ ЗАГРУЗОЧНОЙ ШТУКЕРНЫЙ СИСТЕМЫ RAWPRESS FEED GATE slm20-18in slm20-36in slm30-18in slm30-36in